当前位置: 首页> 轴承型号查询> IKO CF10-1B轴承

IKO CF10-1B轴承参数/图纸/资料

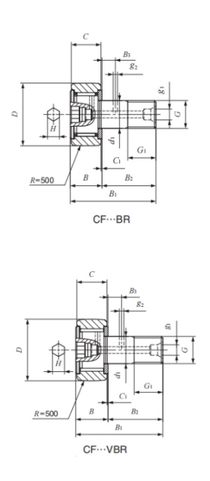
CF10-1BIKO轴承现货供应,库存丰富。滚轮轴承CF10-1B内径10mm,外径26mm,厚度12mm,属于原装进口IKO轴承凸轮从动轴承系列。欢迎来电咨询CF10-1B轴承基本参数,技术规格、相关型号等信息。同时我们提供轴承润滑脂,密封件,安装保养工具等售前售后服务!

CF10-1B轴承用途:塑料加工、印刷机械、工业传动、船舶轴用轴承、石油化工机械、轿车轮毂轴承、振动磨机、离心机、铁路货车、铁路车辆、圆锯、圆锯等领域。

CF10-1B轴承基本参数/技术规格

品牌
IKO
型号
CF10-1B
类型
滚轮轴承
系列
凸轮从动轴承
d
10mm
内径
D
26mm
外径
d
12mm
厚度
Cr
5.430KN
基本额定动载荷, 径向
Cor
6.890KN
基本额定静载荷,径向
Cur
-
疲劳极限载荷, 径向
nϑr
r/min
参考转速
nG
r/min
极限转速
≈m
0.060kg
重量
友情链接:
COPYRIGHT © 2021 INA-BEARING.CN
公司地址:无锡市无锡市崇安区兴源北路818号 公司电话:0510-82325353