当前位置: 首页> 轴承型号查询> IKO CF30-1BR轴承

IKO CF30-1BR轴承参数/图纸/资料

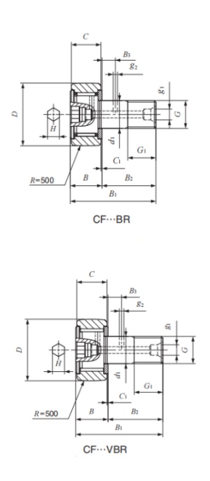
CF30-1BRIKO轴承现货供应,库存丰富。滚轮轴承CF30-1BR内径30mm,外径85mm,厚度35mm,属于原装进口IKO轴承凸轮从动轴承系列。欢迎来电咨询CF30-1BR轴承基本参数,技术规格、相关型号等信息。同时我们提供轴承润滑脂,密封件,安装保养工具等售前售后服务!

CF30-1BR轴承用途:橡塑机械、中型商用车、振动筛、铁路车辆、齿轮箱、织布机、机床、拖车和公共汽车、大型电动机、橡胶和塑料压延机、测试台与设备、船用推力轴承单元等领域。

CF30-1BR轴承基本参数/技术规格

品牌
IKO
型号
CF30-1BR
类型
滚轮轴承
系列
凸轮从动轴承
d
30mm
内径
D
85mm
外径
d
35mm
厚度
Cr
45.4KN
基本额定动载荷, 径向
Cor
85.1KN
基本额定静载荷,径向
Cur
-
疲劳极限载荷, 径向
nϑr
r/min
参考转速
nG
r/min
极限转速
≈m
2.030kg
重量
友情链接:
COPYRIGHT © 2021 INA-BEARING.CN
公司地址:无锡市无锡市崇安区兴源北路818号 公司电话:0510-82325353