当前位置: 首页> 轴承型号查询> SKF UCPA210轴承

SKF UCPA210轴承参数/图纸/资料

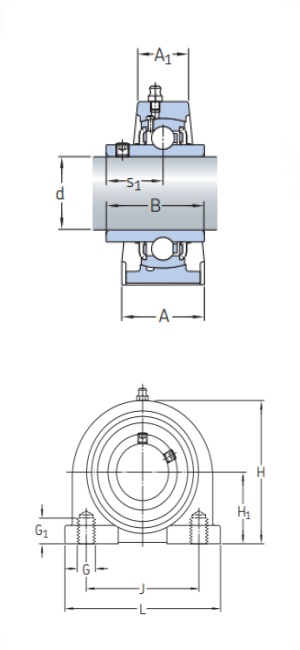
UCPA210SKF轴承现货供应,库存丰富。带座外球面球轴承UCPA210内径50mm,外径130.2mm,厚度113mm,属于原装进口SKF轴承UCPA200系列。欢迎来电咨询UCPA210轴承基本参数,技术规格、相关型号等信息。同时我们提供轴承润滑脂,密封件,安装保养工具等售前售后服务!

UCPA210轴承用途:测试台与设备、破碎机、注塑成型机、工业马达、矿山机械、纺织机械、排气风扇、印刷机、拖车和公共汽车、物料运输、船用推力轴承单元、齿轮马达等领域。

UCPA210轴承基本参数/技术规格

品牌
SKF
型号
UCPA210
类型
带座外球面球轴承
系列
UCPA200
d
50mm
内径
D
130.2mm
外径
d
113mm
厚度
Cr
35.1KN
基本额定动载荷, 径向
Cor
23.2KN
基本额定静载荷,径向
Cur
-
疲劳极限载荷, 径向
nϑr
3300r/min
参考转速
nG
r/min
极限转速
≈m
2.25kg
重量
友情链接:
COPYRIGHT © 2021 INA-BEARING.CN
公司地址:无锡市无锡市崇安区兴源北路818号 公司电话:0510-82325353