当前位置: 首页> 轴承型号查询> SKF UCPA208轴承

SKF UCPA208轴承参数/图纸/资料

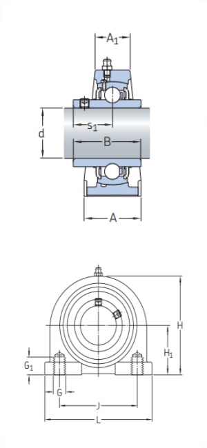
UCPA208SKF轴承现货供应,库存丰富。带座外球面球轴承UCPA208内径40mm,外径115.9mm,厚度98mm,属于原装进口SKF轴承UCPA200系列。欢迎来电咨询UCPA208轴承基本参数,技术规格、相关型号等信息。同时我们提供轴承润滑脂,密封件,安装保养工具等售前售后服务!

UCPA208轴承用途:制浆和造纸、齿轮马达、锤式磨机、轿车轮毂轴承、锯床、机床、大型船用齿轮箱、输送设备、轻型商用车、减速机、辊式破碎机、卷扬机等领域。

UCPA208轴承基本参数/技术规格

品牌
SKF
型号
UCPA208
类型
带座外球面球轴承
系列
UCPA200
d
40mm
内径
D
115.9mm
外径
d
98mm
厚度
Cr
32.5KN
基本额定动载荷, 径向
Cor
20.0KN
基本额定静载荷,径向
Cur
-
疲劳极限载荷, 径向
nϑr
3750r/min
参考转速
nG
r/min
极限转速
≈m
1.67kg
重量
友情链接:
COPYRIGHT © 2021 INA-BEARING.CN
公司地址:无锡市无锡市崇安区兴源北路818号 公司电话:0510-82325353