当前位置: 首页> 轴承型号查询> IKO CF8VBUUR轴承

IKO CF8VBUUR轴承参数/图纸/资料

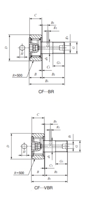
CF8VBUURIKO轴承现货供应,库存丰富。滚轮轴承CF8VBUUR内径19mm,外径11mm,厚度8mm,属于原装进口IKO轴承凸轮从动轴承系列。欢迎来电咨询CF8VBUUR轴承基本参数,技术规格、相关型号等信息。同时我们提供轴承润滑脂,密封件,安装保养工具等售前售后服务!

CF8VBUUR轴承用途:电机(电动机)、水泥厂、纸浆和造纸、大型风机、橡塑机械、采矿与建筑机械、标准电动机、机动车辆、钻床主轴、橡胶和塑料压延机、办公设备、带传动等领域。

CF8VBUUR轴承基本参数/技术规格

品牌
IKO
型号
CF8VBUUR
类型
滚轮轴承
系列
凸轮从动轴承
d
19mm
内径
D
11mm
外径
d
8mm
厚度
Cr
8.170KN
基本额定动载荷, 径向
Cor
11.2KN
基本额定静载荷,径向
Cur
-
疲劳极限载荷, 径向
nϑr
r/min
参考转速
nG
r/min
极限转速
≈m
0.029kg
重量
友情链接:
COPYRIGHT © 2021 INA-BEARING.CN
公司地址:无锡市无锡市崇安区兴源北路818号 公司电话:0510-82325353