当前位置: 首页> 轴承型号查询> IKO CF8VBR轴承

IKO CF8VBR轴承参数/图纸/资料

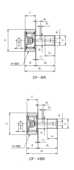
CF8VBRIKO轴承现货供应,库存丰富。滚轮轴承CF8VBR内径19mm,外径11mm,厚度8mm,属于原装进口IKO轴承凸轮从动轴承系列。欢迎来电咨询CF8VBR轴承基本参数,技术规格、相关型号等信息。同时我们提供轴承润滑脂,密封件,安装保养工具等售前售后服务!

CF8VBR轴承用途:农业机械、起重运输机械、挖掘机/ 回转机构传动装置、针织、废弃及循环再利用、精炼机、车床主轴、输送机惰轮/ 通用、收割机、带轮、摩托车、立磨等领域。

CF8VBR轴承基本参数/技术规格

品牌
IKO
型号
CF8VBR
类型
滚轮轴承
系列
凸轮从动轴承
d
19mm
内径
D
11mm
外径
d
8mm
厚度
Cr
8.170KN
基本额定动载荷, 径向
Cor
11.200KN
基本额定静载荷,径向
Cur
-
疲劳极限载荷, 径向
nϑr
r/min
参考转速
nG
r/min
极限转速
≈m
0.029kg
重量
友情链接:
COPYRIGHT © 2021 INA-BEARING.CN
公司地址:无锡市无锡市崇安区兴源北路818号 公司电话:0510-82325353