当前位置: 首页> 轴承型号查询> IKO CF8BUUR轴承

IKO CF8BUUR轴承参数/图纸/资料

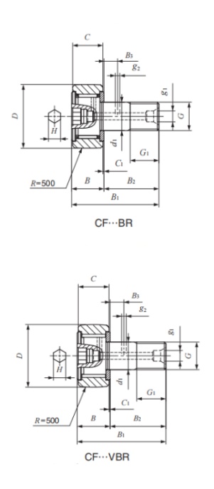
CF8BUURIKO轴承现货供应,库存丰富。滚轮轴承CF8BUUR内径8mm,外径19mm,厚度11mm,属于原装进口IKO轴承凸轮从动轴承系列。欢迎来电咨询CF8BUUR轴承基本参数,技术规格、相关型号等信息。同时我们提供轴承润滑脂,密封件,安装保养工具等售前售后服务!

CF8BUUR轴承用途:铣床主轴、船舶工业、两轮车和三轮车、两轮车和三轮车、传送装置、火力发电、海洋能源、有轨电车、牵引电动机、船舶、货车轮对轴承、传动单元等领域。

CF8BUUR轴承基本参数/技术规格

品牌
IKO
型号
CF8BUUR
类型
滚轮轴承
系列
凸轮从动轴承
d
8mm
内径
D
19mm
外径
d
11mm
厚度
Cr
4.250KN
基本额定动载荷, 径向
Cor
4.740KN
基本额定静载荷,径向
Cur
-
疲劳极限载荷, 径向
nϑr
r/min
参考转速
nG
r/min
极限转速
≈m
0.0285kg
重量
友情链接:
COPYRIGHT © 2021 INA-BEARING.CN
公司地址:无锡市无锡市崇安区兴源北路818号 公司电话:0510-82325353