当前位置: 首页> 轴承型号查询> IKO CF4BUUR轴承

IKO CF4BUUR轴承参数/图纸/资料

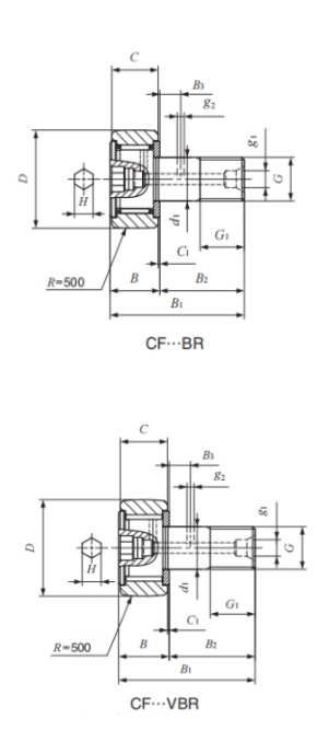
CF4BUURIKO轴承现货供应,库存丰富。滚轮轴承CF4BUUR内径4mm,外径12mm,厚度8mm,属于原装进口IKO轴承凸轮从动轴承系列。欢迎来电咨询CF4BUUR轴承基本参数,技术规格、相关型号等信息。同时我们提供轴承润滑脂,密封件,安装保养工具等售前售后服务!

CF4BUUR轴承用途:挖掘机/ 回转机构传动装置、木工机械、工业马达、电梯扶梯、机器人、炼钢厂设备、振动压路机、磨机、轿车变速箱、牵引电动机、货车轮对轴承、艇用推进器系统等领域。

CF4BUUR轴承基本参数/技术规格

品牌
IKO
型号
CF4BUUR
类型
滚轮轴承
系列
凸轮从动轴承
d
4mm
内径
D
12mm
外径
d
8mm
厚度
Cr
2.07KN
基本额定动载荷, 径向
Cor
1.59KN
基本额定静载荷,径向
Cur
-
疲劳极限载荷, 径向
nϑr
r/min
参考转速
nG
r/min
极限转速
≈m
0.0074kg
重量
友情链接:
COPYRIGHT © 2021 INA-BEARING.CN
公司地址:无锡市无锡市崇安区兴源北路818号 公司电话:0510-82325353