当前位置: 首页> 轴承型号查询> IKO CF3FB轴承

IKO CF3FB轴承参数/图纸/资料

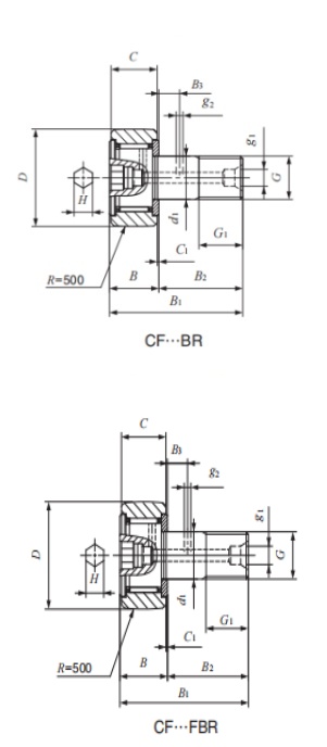
CF3FBIKO轴承现货供应,库存丰富。滚轮轴承CF3FB内径10mm,外径7mm,厚度3mm,属于原装进口IKO轴承凸轮从动轴承系列。欢迎来电咨询CF3FB轴承基本参数,技术规格、相关型号等信息。同时我们提供轴承润滑脂,密封件,安装保养工具等售前售后服务!

CF3FB轴承用途:振动磨机、塑料加工、废弃及循环再利用、回转破碎机、拖车和公共汽车、磨床主轴、汽车和轻型卡车、风机、工业马达、齿轮泵、起重机滑轮、制浆和造纸等领域。

CF3FB轴承基本参数/技术规格

品牌
IKO
型号
CF3FB
类型
滚轮轴承
系列
凸轮从动轴承
d
10mm
内径
D
7mm
外径
d
3mm
厚度
Cr
1.200KN
基本额定动载荷, 径向
Cor
0.813KN
基本额定静载荷,径向
Cur
-
疲劳极限载荷, 径向
nϑr
r/min
参考转速
nG
r/min
极限转速
≈m
0.0043kg
重量
友情链接:
COPYRIGHT © 2021 INA-BEARING.CN
公司地址:无锡市无锡市崇安区兴源北路818号 公司电话:0510-82325353