当前位置: 首页> 轴承型号查询> IKO CF24VBUU轴承

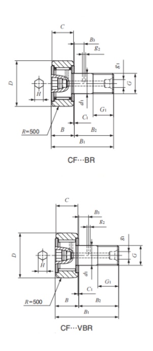
IKO CF24VBUU轴承参数/图纸/资料

CF24VBUUIKO轴承现货供应,库存丰富。滚轮轴承CF24VBUU内径62mm,外径29mm,厚度24mm,属于原装进口IKO轴承凸轮从动轴承系列。欢迎来电咨询CF24VBUU轴承基本参数,技术规格、相关型号等信息。同时我们提供轴承润滑脂,密封件,安装保养工具等售前售后服务!

CF24VBUU轴承用途:废弃及循环再利用、电机(电动机)、压缩机、离心机、大型搅拌机、铁路货车、泵和压缩机、家用电器、转台、工业马达、压砖机、物料运输等领域。

CF24VBUU轴承基本参数/技术规格

品牌
IKO
型号
CF24VBUU
类型
滚轮轴承
系列
凸轮从动轴承
d
62mm
内径
D
29mm
外径
d
24mm
厚度
Cr
46.600KN
基本额定动载荷, 径向
Cor
92KN
基本额定静载荷,径向
Cur
-
疲劳极限载荷, 径向
nϑr
r/min
参考转速
nG
r/min
极限转速
≈m
0.820kg
重量
友情链接:
COPYRIGHT © 2021 INA-BEARING.CN
公司地址:无锡市无锡市崇安区兴源北路818号 公司电话:0510-82325353