当前位置: 首页> 轴承型号查询> IKO CF24-1BR轴承

IKO CF24-1BR轴承参数/图纸/资料

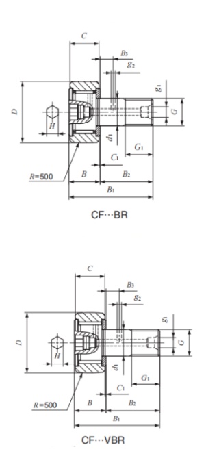
CF24-1BRIKO轴承现货供应,库存丰富。滚轮轴承CF24-1BR内径24mm,外径72mm,厚度29mm,属于原装进口IKO轴承凸轮从动轴承系列。欢迎来电咨询CF24-1BR轴承基本参数,技术规格、相关型号等信息。同时我们提供轴承润滑脂,密封件,安装保养工具等售前售后服务!

CF24-1BR轴承用途:齿轮马达、橡胶和塑料压延机、铁路货车、家用电器电动机、皮带传动、采矿、煤矿机械、通用机械、通用齿轮箱、破碎机、物料运输、标准电动机等领域。

CF24-1BR轴承基本参数/技术规格

品牌
IKO
型号
CF24-1BR
类型
滚轮轴承
系列
凸轮从动轴承
d
24mm
内径
D
72mm
外径
d
29mm
厚度
Cr
30.5KN
基本额定动载荷, 径向
Cor
52.6KN
基本额定静载荷,径向
Cur
-
疲劳极限载荷, 径向
nϑr
r/min
参考转速
nG
r/min
极限转速
≈m
1.140kg
重量
友情链接:
COPYRIGHT © 2021 INA-BEARING.CN
公司地址:无锡市无锡市崇安区兴源北路818号 公司电话:0510-82325353