当前位置: 首页> 轴承型号查询> IKO CF20BR轴承

IKO CF20BR轴承参数/图纸/资料

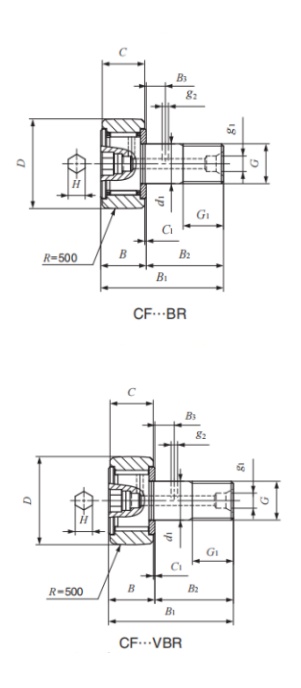
CF20BRIKO轴承现货供应,库存丰富。滚轮轴承CF20BR内径20mm,外径52mm,厚度24mm,属于原装进口IKO轴承凸轮从动轴承系列。欢迎来电咨询CF20BR轴承基本参数,技术规格、相关型号等信息。同时我们提供轴承润滑脂,密封件,安装保养工具等售前售后服务!

CF20BR轴承用途:轧机、船舶工业、工业风机、大型船用齿轮箱、冲击式破碎机、冲床/飞轮、斗轮挖掘机/ 斗轮驱动、艇用推进器系统、铣床主轴、船舶轴用轴承、流体机械、工业传动等领域。

CF20BR轴承基本参数/技术规格

品牌
IKO
型号
CF20BR
类型
滚轮轴承
系列
凸轮从动轴承
d
20mm
内径
D
52mm
外径
d
24mm
厚度
Cr
20.7KN
基本额定动载荷, 径向
Cor
34.6KN
基本额定静载荷,径向
Cur
-
疲劳极限载荷, 径向
nϑr
r/min
参考转速
nG
r/min
极限转速
≈m
0.460kg
重量
友情链接:
COPYRIGHT © 2021 INA-BEARING.CN
公司地址:无锡市无锡市崇安区兴源北路818号 公司电话:0510-82325353