当前位置: 首页> 轴承型号查询> IKO CF20-1VB轴承

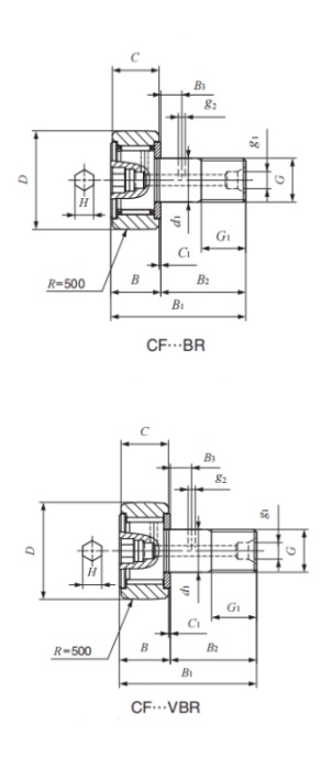
IKO CF20-1VB轴承参数/图纸/资料

CF20-1VBIKO轴承现货供应,库存丰富。滚轮轴承CF20-1VB内径47mm,外径24mm,厚度20mm,属于原装进口IKO轴承凸轮从动轴承系列。欢迎来电咨询CF20-1VB轴承基本参数,技术规格、相关型号等信息。同时我们提供轴承润滑脂,密封件,安装保养工具等售前售后服务!

CF20-1VB轴承用途:输送设备、煤矿机械、振动筛、传动单元、橡胶和塑料压延机、船舶工业、振动磨机、标准电动机、工业泵、起重机滑轮、锤式磨机、自动化设备等领域。

CF20-1VB轴承基本参数/技术规格

品牌
IKO
型号
CF20-1VB
类型
滚轮轴承
系列
凸轮从动轴承
d
47mm
内径
D
24mm
外径
d
20mm
厚度
Cr
33.200KN
基本额定动载荷, 径向
Cor
64.500KN
基本额定静载荷,径向
Cur
-
疲劳极限载荷, 径向
nϑr
r/min
参考转速
nG
r/min
极限转速
≈m
0.390kg
重量
友情链接:
COPYRIGHT © 2021 INA-BEARING.CN
公司地址:无锡市无锡市崇安区兴源北路818号 公司电话:0510-82325353