当前位置: 首页> 轴承型号查询> IKO CF18VBUUR轴承

IKO CF18VBUUR轴承参数/图纸/资料

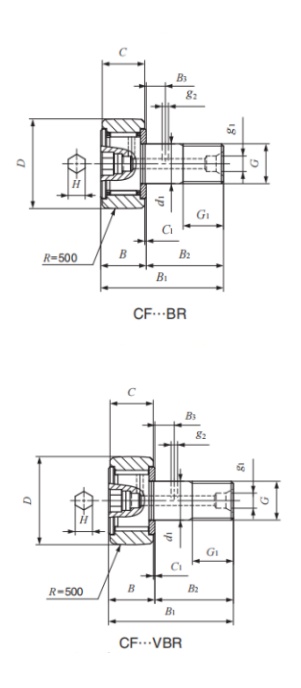
CF18VBUURIKO轴承现货供应,库存丰富。滚轮轴承CF18VBUUR内径40mm,外径20mm,厚度18mm,属于原装进口IKO轴承凸轮从动轴承系列。欢迎来电咨询CF18VBUUR轴承基本参数,技术规格、相关型号等信息。同时我们提供轴承润滑脂,密封件,安装保养工具等售前售后服务!

CF18VBUUR轴承用途:减速机、转台、陶瓷球、摩托车、塑料加工、挖掘机/ 回转机构传动装置、强力锤式磨机、自动化设备、橡塑机械、皮带传动、牵引电动机、磨床床头箱主轴等领域。

CF18VBUUR轴承基本参数/技术规格

品牌
IKO
型号
CF18VBUUR
类型
滚轮轴承
系列
凸轮从动轴承
d
40mm
内径
D
20mm
外径
d
18mm
厚度
Cr
25.300KN
基本额定动载荷, 径向
Cor
51.300KN
基本额定静载荷,径向
Cur
-
疲劳极限载荷, 径向
nϑr
r/min
参考转速
nG
r/min
极限转速
≈m
0.255kg
重量
友情链接:
COPYRIGHT © 2021 INA-BEARING.CN
公司地址:无锡市无锡市崇安区兴源北路818号 公司电话:0510-82325353