当前位置: 首页> 轴承型号查询> IKO CF12-1FB轴承

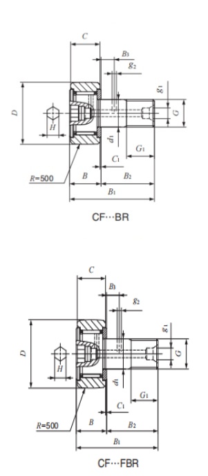
IKO CF12-1FB轴承参数/图纸/资料

CF12-1FBIKO轴承现货供应,库存丰富。滚轮轴承CF12-1FB内径32mm,外径14mm,厚度12mm,属于原装进口IKO轴承凸轮从动轴承系列。欢迎来电咨询CF12-1FB轴承基本参数,技术规格、相关型号等信息。同时我们提供轴承润滑脂,密封件,安装保养工具等售前售后服务!

CF12-1FB轴承用途:能源工业、仪表仪器、机器人、电动机、石油化工机械、橡胶和塑料压延机、轿车驱动系统、自行式机械、强力锤式磨机、磨床床头箱主轴、公共汽车、铣床主轴等领域。

CF12-1FB轴承基本参数/技术规格

品牌
IKO
型号
CF12-1FB
类型
滚轮轴承
系列
凸轮从动轴承
d
32mm
内径
D
14mm
外径
d
12mm
厚度
Cr
6.330KN
基本额定动载荷, 径向
Cor
7.830KN
基本额定静载荷,径向
Cur
-
疲劳极限载荷, 径向
nϑr
r/min
参考转速
nG
r/min
极限转速
≈m
0.105kg
重量
友情链接:
COPYRIGHT © 2021 INA-BEARING.CN
公司地址:无锡市无锡市崇安区兴源北路818号 公司电话:0510-82325353