当前位置: 首页> 轴承型号查询> IKO CF10VBUUR轴承

IKO CF10VBUUR轴承参数/图纸/资料

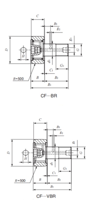
CF10VBUURIKO轴承现货供应,库存丰富。滚轮轴承CF10VBUUR内径22mm,外径12mm,厚度10mm,属于原装进口IKO轴承凸轮从动轴承系列。欢迎来电咨询CF10VBUUR轴承基本参数,技术规格、相关型号等信息。同时我们提供轴承润滑脂,密封件,安装保养工具等售前售后服务!

CF10VBUUR轴承用途:纺织机械、输送机惰轮/ 通用、牵引机车/ 外侧轴承/ 内侧轴承、压缩机、转台、标准电动机、卡车、砑光机、铁路车辆用齿轮箱、港口机械、输送设备、透平机械等领域。

CF10VBUUR轴承基本参数/技术规格

品牌
IKO
型号
CF10VBUUR
类型
滚轮轴承
系列
凸轮从动轴承
d
22mm
内径
D
12mm
外径
d
10mm
厚度
Cr
9.570KN
基本额定动载荷, 径向
Cor
14.500KN
基本额定静载荷,径向
Cur
-
疲劳极限载荷, 径向
nϑr
r/min
参考转速
nG
r/min
极限转速
≈m
0.046kg
重量
友情链接:
COPYRIGHT © 2021 INA-BEARING.CN
公司地址:无锡市无锡市崇安区兴源北路818号 公司电话:0510-82325353