当前位置: 首页> 轴承型号查询> IKO CF10FBR轴承

IKO CF10FBR轴承参数/图纸/资料

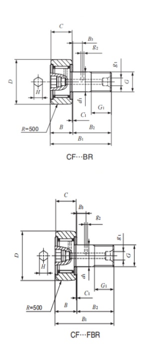
CF10FBRIKO轴承现货供应,库存丰富。滚轮轴承CF10FBR内径22mm,外径12mm,厚度10mm,属于原装进口IKO轴承凸轮从动轴承系列。欢迎来电咨询CF10FBR轴承基本参数,技术规格、相关型号等信息。同时我们提供轴承润滑脂,密封件,安装保养工具等售前售后服务!

CF10FBR轴承用途:传动单元、纺织机械、船舶、风机、工业传动、医疗设备、压缩机、矿物加工和水泥、船用推力轴承单元、食品和饮料、干部、大型风机等领域。

CF10FBR轴承基本参数/技术规格

品牌
IKO
型号
CF10FBR
类型
滚轮轴承
系列
凸轮从动轴承
d
22mm
内径
D
12mm
外径
d
10mm
厚度
Cr
4.340KN
基本额定动载荷, 径向
Cor
5.510KN
基本额定静载荷,径向
Cur
-
疲劳极限载荷, 径向
nϑr
r/min
参考转速
nG
r/min
极限转速
≈m
0.045kg
重量
友情链接:
COPYRIGHT © 2021 INA-BEARING.CN
公司地址:无锡市无锡市崇安区兴源北路818号 公司电话:0510-82325353